Ventilator för energiåtervinning UTZ-BD025C
Funktioner
- Energieffektivitet och miljö
- Tyst drift
- Utökat område för yttre statiskt tryck
- Tunn utformning för enklare montering
- Omvänd montering av direkt lufttillförsel och uttömningssystem
Specifikationer
| Nominell luftflödeshastighet | 250 m³ /h | ||
|---|---|---|---|
| Strömkälla | 220 - 240 V | ||
| 50 Hz | |||
| Värmeväxlingsventilation | Ineffekt | (Extra hög) | 128 W |
| Hög | 123 W | ||
| Låg | 96 W | ||
| Luftflödeshastighet | (Extra hög) | 250 m³ /h | |
| Hög | 250 m³ /h | ||
| Låg | 190 m³ /h | ||
| Yttre statiskt tryck | (Extra hög) | 105 Pa | |
| Hög | 95 Pa | ||
| Låg | 45 Pa | ||
| Effektivitet vid temperaturväxling | (Extra hög) | 75 % | |
| Hög | 75 % | ||
| Låg | 77 % | ||
| Effektivitet vid energiutbyte Kylning | (Extra hög) | 63 % | |
| Hög | 63 % | ||
| Låg | 65 % | ||
| Effektivitet vid energiutbyte Värmepump | (Extra hög) | 70 % | |
| Hög | 70 % | ||
| Låg | 72 % | ||
| Ljudtrycksnivå*2 | (Extra hög) | 31.5 dB* | |
| Hög | 30.5 dB* | ||
| Låg | 26.5 dB* | ||
| Normal ventilation | Ineffekt | (Extra hög) | 128 W |
| Hög | 123 W | ||
| Låg | 96 W | ||
| Luftflödeshastighet | (Extra hög) | 250 m³ /h | |
| Hög | 250 m³ /h | ||
| Låg | 190 m³ /h | ||
| Yttre statiskt tryck | (Extra hög) | 105 Pa | |
| Hög | 95 Pa | ||
| Låg | 45 Pa | ||
| Ljudtrycksnivå*2 | (Extra hög) | 31.5 dB* | |
| Hög | 30.5 dB* | ||
| Låg | 26.5 dB* | ||
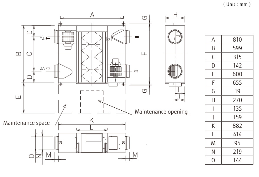
| Nettomått | Höjd | 882 mm | |
| Bredd | 599 mm | ||
| Djup | 270 mm | ||
| Nettovikt | 29 kg | ||
| Utloppskanalens diameter | 150 mm | ||
| Driftsområde | -10 till 40 °C | ||
| Max. luftfuktighet | 85 % | ||
Bläddra
- *
- Ljudnivån mäts 1,5 m under enhetens mitt
- *2.
- Brusvärdet är värdet vid mätning i ett ekofritt rum. När det mäts i faktiskt installerat tillstånd tas omgivande brus och reflektioner emot och det uppmätta värdet är vanligtvis högre än det angivna värdet.
Mått
Ventilator för energiåtervinning : UTZ-BD025C

Sverige | Svenska