Εξαεριστήρας με ανάκτηση ενέργειας UTZ-BD100C
Λειτουργίες
- Ενεργειακή απόδοση και οικολογία
- Αθόρυβη λειτουργία
- Εκτεταμένο εύρος τιμών εξωτερικής στατικής πίεσης
- Λεπτή σχεδίαση για ευκολότερη εγκατάσταση
- Σύστημα απευθείας παροχής και εξαγωγής αέρα με δυνατότητα ανάστροφης τοποθέτησης
Προδιαγραφές
| Ονομαστική παροχή αέρα | 1000 m³ /h | ||
|---|---|---|---|
| Ηλεκτρική τροφοδοσία | 220 - 240 V | ||
| 50 Hz | |||
| Εξαερισμός με ανταλλαγή θερμότητας | Ισχύς εισόδου | (Πολύ υψηλή) | 464 W |
| Υψηλή | 432 W | ||
| Χαμηλή | 311 W | ||
| Παροχή αέρα | (Πολύ υψηλή) | 1000 m³ /h | |
| Υψηλή | 1000 m³ /h | ||
| Χαμηλή | 700 m³ /h | ||
| Εξωτερική στατική πίεση | (Πολύ υψηλή) | 105 Pa | |
| Υψηλή | 80 Pa | ||
| Χαμηλή | 75 Pa | ||
| Απόδοση ανταλλαγής θερμοκρασίας | (Πολύ υψηλή) | 75 % | |
| Υψηλή | 75 % | ||
| Χαμηλή | 79 % | ||
| Απόδοση ανταλλαγής ενέργειας Ψύξη | (Πολύ υψηλή) | 65 % | |
| Υψηλή | 65 % | ||
| Χαμηλή | 70 % | ||
| Απόδοση ανταλλαγής ενέργειας Αντλία θερμότητας | (Πολύ υψηλή) | 71 % | |
| Υψηλή | 71 % | ||
| Χαμηλή | 76 % | ||
| Στάθμη ηχητικής πίεσης*2 | (Πολύ υψηλή) | 38.5 dB* | |
| Υψηλή | 37.5 dB* | ||
| Χαμηλή | 34.5 dB* | ||
| Κανονικός εξαερισμός | Ισχύς εισόδου | (Πολύ υψηλή) | 464 W |
| Υψηλή | 432 W | ||
| Χαμηλή | 311 W | ||
| Παροχή αέρα | (Πολύ υψηλή) | 1000 m³ /h | |
| Υψηλή | 1000 m³ /h | ||
| Χαμηλή | 700 m³ /h | ||
| Εξωτερική στατική πίεση | (Πολύ υψηλή) | 105 Pa | |
| Υψηλή | 80 Pa | ||
| Χαμηλή | 75 Pa | ||
| Στάθμη ηχητικής πίεσης*2 | (Πολύ υψηλή) | 40.5 dB* | |
| Υψηλή | 39.5 dB* | ||
| Χαμηλή | 36.5 dB* | ||
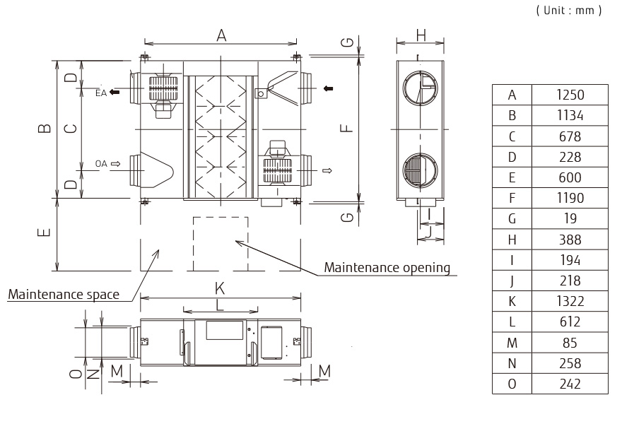
| Καθαρές διαστάσεις | Ύψος | 1322 mm | |
| Πλάτος | 1134 mm | ||
| Βάθος | 388 mm | ||
| Καθαρό βάρος | 83 kg | ||
| Διάμετρος αγωγού εξόδου | 250 mm | ||
| Εύρος τιμών λειτουργίας | -10 έως 40 °C | ||
| Μέγ. υγρασία | 85 % | ||
Σπειροειδής
- *
- Η μέτρηση της στάθμης θορύβου πρέπει να γίνεται 1,5 m κάτω από το κέντρο της μονάδας.
Διαστάσεις
Εξαεριστήρας με ανάκτηση ενέργειας : UTZ-BD100C

Ελλάδα | Ελληνικά