Ventilator för energiåtervinning UTZ-BD050C
Funktioner
- Energieffektivitet och miljö
- Tyst drift
- Utökat område för yttre statiskt tryck
- Tunn utformning för enklare montering
- Omvänd montering av direkt lufttillförsel och uttömningssystem
Specifikationer
| Nominell luftflödeshastighet | 500 m³ /h | ||
|---|---|---|---|
| Strömkälla | 220 - 240 V | ||
| 50 Hz | |||
| Värmeväxlingsventilation | Ineffekt | (Extra hög) | 289 W |
| Hög | 225 W | ||
| Låg | 185 W | ||
| Luftflödeshastighet | (Extra hög) | 500 m³ /h | |
| Hög | 500 m³ /h | ||
| Låg | 440 m³ /h | ||
| Yttre statiskt tryck | (Extra hög) | 120 Pa | |
| Hög | 60 Pa | ||
| Låg | 35 Pa | ||
| Effektivitet vid temperaturväxling | (Extra hög) | 75 % | |
| Hög | 75 % | ||
| Låg | 76 % | ||
| Effektivitet vid energiutbyte Kylning | (Extra hög) | 62 % | |
| Hög | 62 % | ||
| Låg | 64 % | ||
| Effektivitet vid energiutbyte Värmepump | (Extra hög) | 67 % | |
| Hög | 67 % | ||
| Låg | 69 % | ||
| Ljudtrycksnivå*2 | (Extra hög) | 37.5 dB* | |
| Hög | 35.5 dB* | ||
| Låg | 32.5 dB* | ||
| Normal ventilation | Ineffekt | (Extra hög) | 289 W |
| Hög | 225 W | ||
| Låg | 185 W | ||
| Luftflödeshastighet | (Extra hög) | 500 m³ /h | |
| Hög | 500 m³ /h | ||
| Låg | 440 m³ /h | ||
| Yttre statiskt tryck | (Extra hög) | 120 Pa | |
| Hög | 60 Pa | ||
| Låg | 35 Pa | ||
| Ljudtrycksnivå*2 | (Extra hög) | 38.5 dB* | |
| Hög | 38 dB* | ||
| Låg | 32.5 dB* | ||
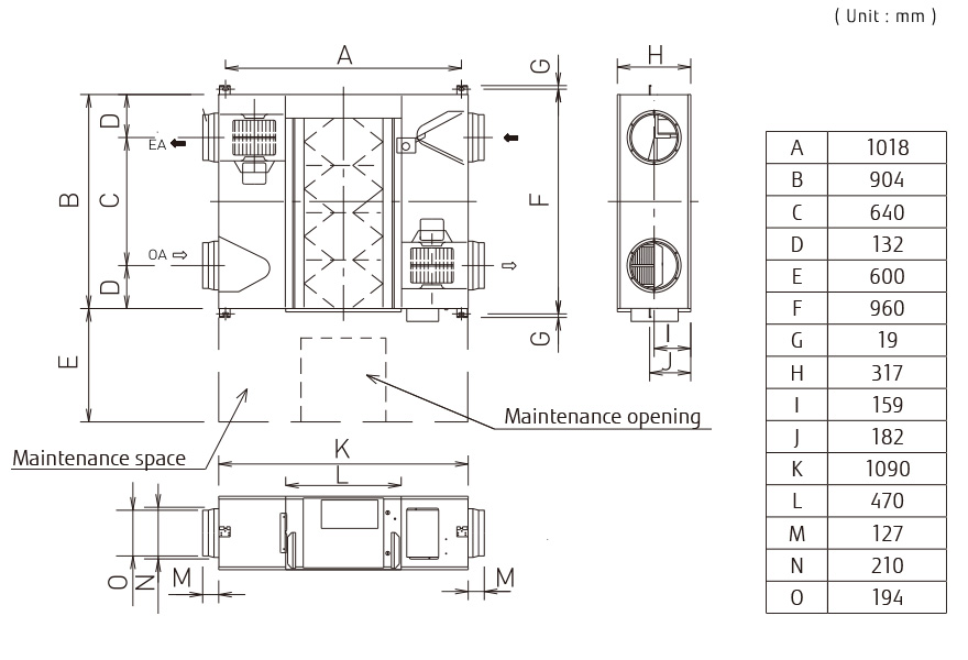
| Nettomått | Höjd | 1090 mm | |
| Bredd | 904 mm | ||
| Djup | 317 mm | ||
| Nettovikt | 57 kg | ||
| Utloppskanalens diameter | 200 mm | ||
| Driftsområde | -10 till 40 °C | ||
| Max. luftfuktighet | 85 % | ||
Bläddra
- *
- Ljudnivån måste mätas 1,5 m under enhetens mitt.
Mått
Ventilator för energiåtervinning : UTZ-BD050C

Sverige | Svenska