Kanał średniego ciśnienia statycznego (Standard) ARXG36KMLA [3Faza]
Funkcje
- Smukła i kompaktowa konstrukcja
- Łatwa konserwacja
- Rurę spustową można zamontować po lewej lub prawej stronie jednostki
- Praca przy niskiej temperaturze otoczenia we wszystkich klasach
Moc
Dane techniczne
| Źródło zasilania | Faza | Zasilanie 3-fazowe 3N | |
|---|---|---|---|
| Napięcie | 400 V | ||
| Częstotliwość | 50 Hz | ||
| Moc | Chłodzenie | 9.5 (2.8 - 11.2) kW | |
| Ogrzewanie | 10.8 (2.7 - 12.7) kW | ||
| Moc wejściowa | Chłodzenie | 2.970 kW | |
| Ogrzewanie | 2.880 kW | ||
| EER | Chłodzenie | 3.20 W/W | |
| COP | Ogrzewanie | 3.75 W/W | |
| Pdesign | Chłodzenie | 9.5 kW | |
| Ogrzewanie (-10°C) | 8.7 kW | ||
| SEER | Chłodzenie | 6.10 W/W | |
| SCOP | Ogrzewanie (Średni) | 4.00 W/W | |
| Klasa efektywności energetycznej | Chłodzenie | A++ | |
| Ogrzewanie (Średni) | A+ | ||
| Maks. prąd roboczy | Chłodzenie | 10.5 A | |
| Ogrzewanie | 10.5 A | ||
| Roczne zużycie energii | Chłodzenie | 545 kWh/a | |
| Ogrzewanie | 3044 kWh/a | ||
| Usuwanie wilgoci | 3.0 l/h | ||
| Poziom ciśnienia akustycznego*2 | Wewnątrz (Chłodzenie) | Wysoki | 39 dB(A) |
| Średni | 35 dB(A) | ||
| Niski | 30 dB(A) | ||
| Cichy | 26 dB(A) | ||
| Wewnątrz (Ogrzewanie) | Wysoki | 42 dB(A) | |
| Średni | 35 dB(A) | ||
| Niski | 30 dB(A) | ||
| Cichy | 26 dB(A) | ||
| Poziom ciśnienia akustycznego*2 | Na zewnątrz (Chłodzenie) | Wysoki | 55 dB(A) |
| Na zewnątrz (Ogrzewanie) | Wysoki | 55 dB(A) | |
| Poziom mocy akustycznej | Wewnątrz (Chłodzenie) | Wysoki | 65 dB(A) |
| Wewnątrz (Ogrzewanie) | Wysoki | 70 dB(A) | |
| Na zewnątrz (Chłodzenie) | Wysoki | 70 dB(A) | |
| Na zewnątrz (Ogrzewanie) | Wysoki | 70 dB(A) | |
| Prędkość przepływu powietrza | Wewnątrz (Chłodzenie) | Wysoki | 1900 m³/h |
| Na zewnątrz (Chłodzenie) | Wysoki | 3750 m³/h | |
| Zakres ciśnienia statycznego (standardowy) | 30 - 150 (47) Pa | ||
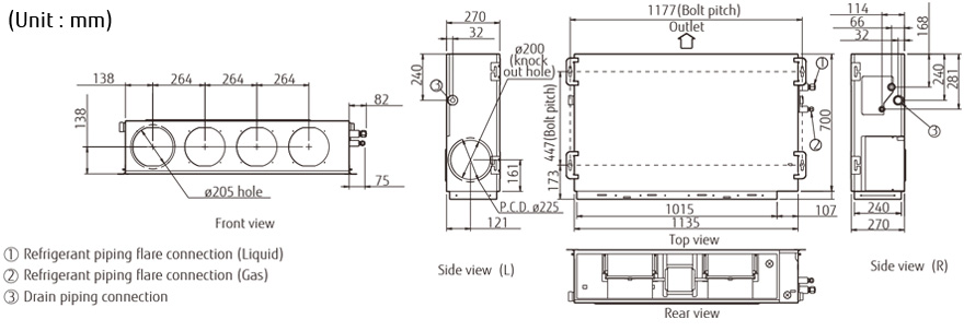
| Wymiary netto Wewnątrz |
Wysokość | 270 mm | |
| Szerokość | 1135 mm | ||
| Głębokość | 700 mm | ||
| Wymiary netto Na zewnątrz |
Wysokość | 788 mm | |
| Szerokość | 940 mm | ||
| Głębokość | 320 mm | ||
| Masa netto | Wewnątrz | 38.0 kg | |
| Na zewnątrz | 53 kg | ||
| Średnica łącznika rurowego | Płyn | φ9.52 mm | |
| Gaz | φ15.88 mm | ||
| Maks. Długość rury (Bez doładowania) | 50 (30.0) m | ||
| Maks. Różnica wysokości | 30 m | ||
| Zakres roboczy | Chłodzenie | -15 do 46 °C BD | |
| Ogrzewanie | -15 do 24 °C BD | ||
| Czynnik chłodniczy | Typ | R32 | |
| Wpływ na globalne ocieplenie | 675 | ||
| Ładunek | 1900 g (1.283 CO2eq–T) | ||
Przewijanie
Wymiary
Jednostka wewnętrzna : ARXG36KMLA

Polska | Polski