Wentylator odzyskiwania energii UTZ-BD100C
Funkcje
- Efektywność energetyczna i ekologia
- Cicha praca
- Rozszerzony zakres zewnętrznego ciśnienia statycznego
- Wąska konstrukcja ułatwiająca instalację
- Odwracalny system bezpośredniego nawiewu i wywiewu powietrza
Dane techniczne
| Tempo przepływu powietrza | 1000 m³ /h | ||
|---|---|---|---|
| Źródło zasilania | 220 - 240 V | ||
| 50 Hz | |||
| Wentylacja wymiany ciepła | Moc wejściowa | (Bardzo wysoki) | 464 W |
| Wysoki | 432 W | ||
| Niski | 311 W | ||
| Prędkość przepływu powietrza | (Bardzo wysoki) | 1000 m³ /h | |
| Wysoki | 1000 m³ /h | ||
| Niski | 700 m³ /h | ||
| Zewnętrzne ciśnienie statyczne | (Bardzo wysoki) | 105 Pa | |
| Wysoki | 80 Pa | ||
| Niski | 75 Pa | ||
| Wydajność wymiany ciepła | (Bardzo wysoki) | 75 % | |
| Wysoki | 75 % | ||
| Niski | 79 % | ||
| Wydajność wymiany energii Chłodzenie | (Bardzo wysoki) | 65 % | |
| Wysoki | 65 % | ||
| Niski | 70 % | ||
| Wydajność wymiany energii Pompa ciepła | (Bardzo wysoki) | 71 % | |
| Wysoki | 71 % | ||
| Niski | 76 % | ||
| Poziom ciśnienia akustycznego*2 | (Bardzo wysoki) | 38.5 dB* | |
| Wysoki | 37.5 dB* | ||
| Niski | 34.5 dB* | ||
| Normalna wentylacja | Moc wejściowa | (Bardzo wysoki) | 464 W |
| Wysoki | 432 W | ||
| Niski | 311 W | ||
| Prędkość przepływu powietrza | (Bardzo wysoki) | 1000 m³ /h | |
| Wysoki | 1000 m³ /h | ||
| Niski | 700 m³ /h | ||
| Zewnętrzne ciśnienie statyczne | (Bardzo wysoki) | 105 Pa | |
| Wysoki | 80 Pa | ||
| Niski | 75 Pa | ||
| Poziom ciśnienia akustycznego*2 | (Bardzo wysoki) | 40.5 dB* | |
| Wysoki | 39.5 dB* | ||
| Niski | 36.5 dB* | ||
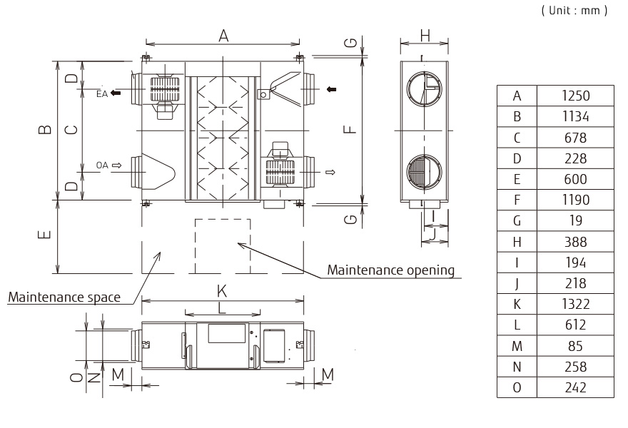
| Wymiary netto | Wysokość | 1322 mm | |
| Szerokość | 1134 mm | ||
| Głębokość | 388 mm | ||
| Masa netto | 83 kg | ||
| Średnica kanału wylotowego | 250 mm | ||
| Zakres roboczy | -10 do 40 °C | ||
| Maks. wilgotność | 85 % | ||
Przewijanie
- *
- Poziom hałasu musi być mierzony 1,5 m poniżej środka jednostki.
Wymiary
Wentylator odzyskiwania energii : UTZ-BD100C

Polska | Polski