AUXM018GLEH
Specifications
| Power Source | Phase | Single phase | |
|---|---|---|---|
| Voltage | 230 V | ||
| Frequency | 50 Hz | ||
| Capacity | Cooling | 5.6 kW | |
| Heating | 6.3 kW | ||
| Input Power | 20 W | ||
| Airflow Rate | Cooling | High | 1050 m³/h |
| Medium High | 930 m³/h | ||
| Middle | 900 m³/h | ||
| Low High | 870 m³/h | ||
| Low | 810 m³/h | ||
| Quiet | 780 m³/h | ||
| Heating | High | 1050 m³/h | |
| Medium High | 930 m³/h | ||
| Middle | 900 m³/h | ||
| Low High | 870 m³/h | ||
| Low | 810 m³/h | ||
| Quiet | 780 m³/h | ||
| Sound Pressure Level*2 | Cooling | High | 33 dB(A) |
| Medium High | 32 dB(A) | ||
| Middle | 31 dB(A) | ||
| Low High | 30 dB(A) | ||
| Low | 29 dB(A) | ||
| Quiet | 28 dB(A) | ||
| Heating | High | 33 dB(A) | |
| Medium High | 32 dB(A) | ||
| Middle | 31 dB(A) | ||
| Low High | 30 dB(A) | ||
| Low | 29 dB(A) | ||
| Quiet | 28 dB(A) | ||
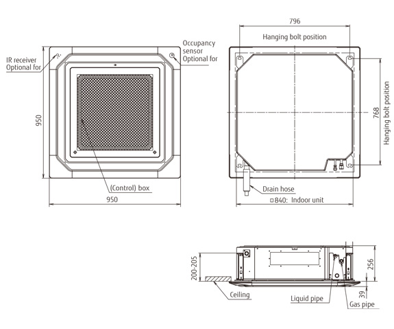
| Net Dimensions | Height | 246 mm | |
| Width | 840 mm | ||
| Depth | 840 mm | ||
| Net Weight | 24.0 kg | ||
| Connection Pipe Diameter | Liquid (Flare) | φ6.35 mm | |
| Gas (Flare) | φ12.7 mm | ||
| Drain Hose Diameter | φ25(I.D.), φ32(O.D.) mm | ||
| EV Kit (optional) | EV Kit (optional) | ||
Scroll
Dimensions
Indoor Unit : AUXM018GLEH

Europe | English