Rekuperaator UTZ-BD100C
Funktsioonid
- Energiaefektiivsus ja ökoloogia
- Vaikne töö
- Välise staatilise rõhu suur vahemik
- Õhuke disain lihtsaks paigalduseks
- Vastupidise paigaldusega otsene õhutarne- ja väljalaskesüsteem
Spetsifikatsioonid
| Õhuvoolu nimiväärtus | 1000 m³ /h | ||
|---|---|---|---|
| Toiteallikas | 220 - 240 V | ||
| 50 Hz | |||
| Soojusvahetuse ventilatsioon | Sisendtoide | (Eriti kõrge) | 464 W |
| Kõrge | 432 W | ||
| Madal | 311 W | ||
| Õhuvoolu näit | (Eriti kõrge) | 1000 m³ /h | |
| Kõrge | 1000 m³ /h | ||
| Madal | 700 m³ /h | ||
| Väline staatiline rõhk | (Eriti kõrge) | 105 Pa | |
| Kõrge | 80 Pa | ||
| Madal | 75 Pa | ||
| Temperatuuri vahetusefektiivsus | (Eriti kõrge) | 75 % | |
| Kõrge | 75 % | ||
| Madal | 79 % | ||
| Energia vahetusefektiivsus Jahutamine | (Eriti kõrge) | 65 % | |
| Kõrge | 65 % | ||
| Madal | 70 % | ||
| Energia vahetusefektiivsus Soojuspump | (Eriti kõrge) | 71 % | |
| Kõrge | 71 % | ||
| Madal | 76 % | ||
| Helirõhutase*2 | (Eriti kõrge) | 38.5 dB* | |
| Kõrge | 37.5 dB* | ||
| Madal | 34.5 dB* | ||
| Tavaventilatsioon | Sisendtoide | (Eriti kõrge) | 464 W |
| Kõrge | 432 W | ||
| Madal | 311 W | ||
| Õhuvoolu näit | (Eriti kõrge) | 1000 m³ /h | |
| Kõrge | 1000 m³ /h | ||
| Madal | 700 m³ /h | ||
| Väline staatiline rõhk | (Eriti kõrge) | 105 Pa | |
| Kõrge | 80 Pa | ||
| Madal | 75 Pa | ||
| Helirõhutase*2 | (Eriti kõrge) | 40.5 dB* | |
| Kõrge | 39.5 dB* | ||
| Madal | 36.5 dB* | ||
| Netomõõtmed | Kõrgus | 1322 mm | |
| Laius | 1134 mm | ||
| Sügavus | 388 mm | ||
| Netokaas | 83 kg | ||
| Väljalasketoru läbimõõt | 250 mm | ||
| Töövahemik | -10 kuni 40 °C | ||
| Maksimumniiskus | 85 % | ||
Kerimine
- *
- Mürataset tuleb mõõta seadme keskkohast 1,5 m allpool.
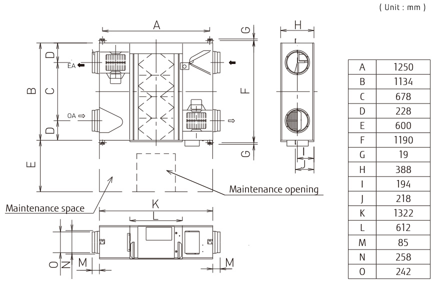
Mõõtmed
Energiatagastuse ventilaator : UTZ-BD100C

Eesti | Eesti keel