Rekuperaator UTZ-BD080C
Funktsioonid
- Energiaefektiivsus ja ökoloogia
- Vaikne töö
- Välise staatilise rõhu suur vahemik
- Õhuke disain lihtsaks paigalduseks
- Vastupidise paigaldusega otsene õhutarne- ja väljalaskesüsteem
Spetsifikatsioonid
| Õhuvoolu nimiväärtus | 800 m³ /h | ||
|---|---|---|---|
| Toiteallikas | 220 - 240 V | ||
| 50 Hz | |||
| Soojusvahetuse ventilatsioon | Sisendtoide | (Eriti kõrge) | 418 W |
| Kõrge | 378 W | ||
| Madal | 295 W | ||
| Õhuvoolu näit | (Eriti kõrge) | 800 m³ /h | |
| Kõrge | 800 m³ /h | ||
| Madal | 630 m³ /h | ||
| Väline staatiline rõhk | (Eriti kõrge) | 140 Pa | |
| Kõrge | 110 Pa | ||
| Madal | 55 Pa | ||
| Temperatuuri vahetusefektiivsus | (Eriti kõrge) | 75 % | |
| Kõrge | 75 % | ||
| Madal | 76 % | ||
| Energia vahetusefektiivsus Jahutamine | (Eriti kõrge) | 65 % | |
| Kõrge | 65 % | ||
| Madal | 68 % | ||
| Energia vahetusefektiivsus Soojuspump | (Eriti kõrge) | 71 % | |
| Kõrge | 71 % | ||
| Madal | 74 % | ||
| Helirõhutase*2 | (Eriti kõrge) | 37.5 dB* | |
| Kõrge | 37 dB* | ||
| Madal | 34.5 dB* | ||
| Tavaventilatsioon | Sisendtoide | (Eriti kõrge) | 418 W |
| Kõrge | 378 W | ||
| Madal | 295 W | ||
| Õhuvoolu näit | (Eriti kõrge) | 800 m³ /h | |
| Kõrge | 800 m³ /h | ||
| Madal | 630 m³ /h | ||
| Väline staatiline rõhk | (Eriti kõrge) | 140 Pa | |
| Kõrge | 110 Pa | ||
| Madal | 55 Pa | ||
| Helirõhutase*2 | (Eriti kõrge) | 37.5 dB* | |
| Kõrge | 37 dB* | ||
| Madal | 34.5 dB* | ||
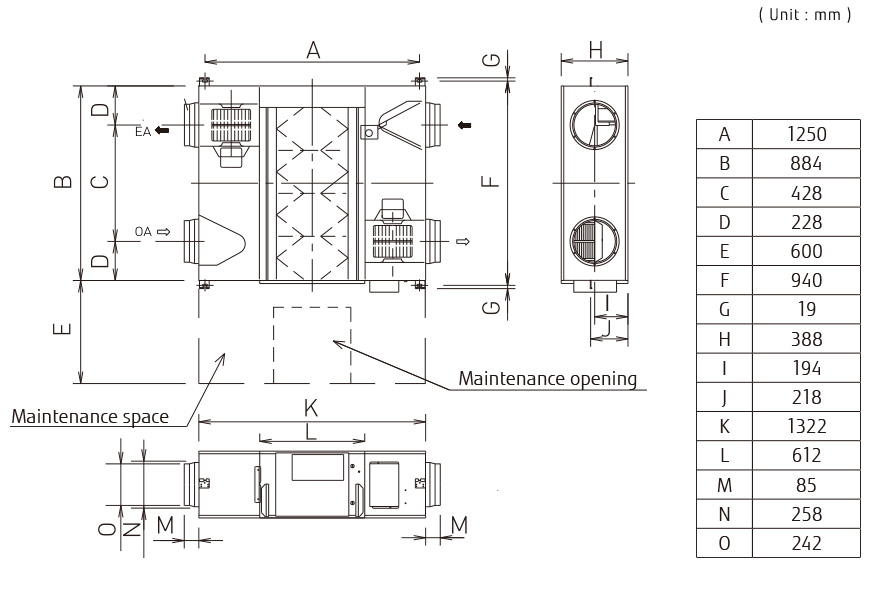
| Netomõõtmed | Kõrgus | 1322 mm | |
| Laius | 884 mm | ||
| Sügavus | 388 mm | ||
| Netokaas | 71 kg | ||
| Väljalasketoru läbimõõt | 250 mm | ||
| Töövahemik | -10 kuni 40 °C | ||
| Maksimumniiskus | 85 % | ||
Kerimine
- *
- Mürataset tuleb mõõta seadme keskkohast 1,5 m allpool.
Mõõtmed
Energiatagastuse ventilaator : UTZ-BD080C

Eesti | Eesti keel