Airstage (VRF Systems) Indoor Unit Medium Static Pressure Duct
- Download :
-
Catalog
Model
| 208/230V Single-Phase | |
|---|---|
| ARUM24TLAV / TLAV2 | |
| ARUM30TLAV / TLAV2 | |
| ARUM36TLAV / TLAV2 | |
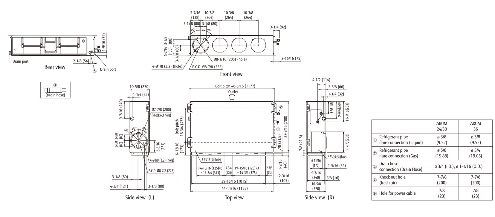
Dimensions
Feature
Slim & Compact design
In the case of bottom return air connection, not only does the indoor unit design allow for installation in a narrow ceiling space of up to 10-5/8in (270mm), further space savings have been achieved by mounting the electrical control box internally inside the chassis.
Easy maintenance
Structural improvement is attained by making the bottom panel two pieces, front and rear. The internal fan casing is also manufactured in two pieces, namely upper and lower. The maintenance of the motor and fan can be easily carried out by removing the rear panel and the lower part of the casing while leaving the main chassis installed.
Low energy consumption by high efficiency DC fan motor
Improved motor efficiency from previous model.
24 model
30/36 model
Two-direction drain piping
Installation styles
Embedded in Ceiling
Hanging from Ceiling
Optional parts
- Remote Sensor Unit :
- UTY-XSZX
- Long Life Filter* :
- UTD-LF25NA
- Flange (Square) :
- UTD-SF045T
- IR Receiver Unit :
- UTB-YWC
- Drain Pump Unit :
- UTZ-PU1EBA
*Note, Duct models do not include a standard filter.
